제품이미지

Precision LOCK NUTS

작은 것 하나부터 최선을 다하며, 易地思之하는 마음으로
고객 여러분과 함께 호흡하겠습니다.

HOMEHOME > PRECISION LOCK NUTS > KZM

 KZM series

큰이미지
  • 작은이미지
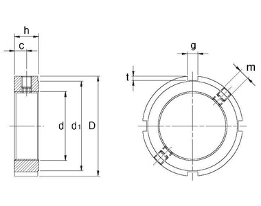
Number Cad d Dimension in mm axizl load
stat.KN
mass
Kg
D h g t d1 c m
KZM 15 다운받기 M15 × 1.0 25 8 3 2 21 4 M4 30 0.018
KZM 17 다운받기 M17 × 1.0 28 10 4 2 21 5 M5 45 0.028
KZM 20 다운받기 M20 × 1.0 32 10 4 2 25 5 M5 55 0.035
KZM 25 다운받기 M25 × 1.5 38 12 5 2 31 6 M6 85 0.056
KZM 30 다운받기 M30 × 1.5 45 12 5 2 38 6 M6 100 0.079
KZM 40 다운받기 M40 × 1.5 58 14 6 2.5 50 7 M6 150 0.145
KZM 45 다운받기 M45 × 1.5 65 14 6 2.5 56 7 M6 160 0.183
KZM 50 다운받기 M50 × 1.5 70 14 6 2.5 61 7 M6 180 0.200
KZM 55 다운받기 M55 × 2.0 75 16 7 3 66 8 M6 240 0.247
KZM 60 다운받기 M60 × 2.0 80 16 7 3 70 8 M6 260 0.267
KZM 65 다운받기 M65 × 2.0 85 16 7 3 76 8 M6 290 0.287
KZM 70 다운받기 M70 × 2.0 92 18 8 3.5 82 9 M8 350 0.380
KZM 75 다운받기 M75 × 2.0 98 18 8 3.5 87 9 M8 370 0.425
KZM 80 다운받기 M80 × 2.0 105 18 8 3.5 92 9 M8 400 0.498
KZM 85 다운받기 M85 × 2.0 110 18 8 3.5 99 9 M8 420 0.528
KZM 90 다운받기 M90 × 2.0 120 20 10 4 105 10 M8 500 0.752
KZM 95 다운받기 M95 × 2.0 125 20 10 4 110 10 M8 520 0.786
KZM 100 다운받기 M100 × 2.0 130 20 10 4 116 10 M8 550 0.827
KZM 105 다운받기 M105 × 2.0 140 22 12 5 116 11 M10 640 1.117
KZM 110 다운받기 M110 × 2.0 145 22 12 5 129 11 M10 670 1.166
KZM 120 다운받기 M120 × 2.0 155 24 12 5 136 12 M10 800 1.382
KZM 130 다운받기 M130 × 2.0 165 24 12 5 145 12 M10 860 1.487
KZM 140 다운받기 M140 × 2.0 180 26 14 6 156 13 M12 1000 1.985
KZM 150 다운받기 M150 × 2.0 195 26 14 6 167 13 M12 1080 2.412
KZM 160 다운받기 M160 × 3.0 210 28 16 7 178 14 M12 1190 3.096
KZM 170 다운받기 M170 × 3.0 220 28 16 7 189 14 M12 1260 3.263
KZM 180 다운받기 M180 × 3.0 230 30 18 8 199 15 M12 1480 3.676

주) KZM 10, KZM 12도 생산가능합니다.